おかげさまで開設25周年WWW.IMATCONS.CL 創業祭

WWW.IMATCONS.CL

詳しくはこちら
マイストア マイストア 変更
  • 即日配送
  • 広告
  • 取置可能
  • 店頭受取

HOT ! その他 6-1/2 Digital Multimeter_YOKOGAWA 7561

※WWW.IMATCONS.CL 限定モデル
YouTuberの皆様に商品の使い心地などをご紹介いただいております!
紹介動画はこちら

ネット販売
価格(税込)

8700

  • コメリカード番号登録、コメリカードでお支払いで
    コメリポイント : 8ポイント獲得

コメリポイントについて

購入個数を減らす
購入個数を増やす

お店で受け取る お店で受け取る
(送料無料)

受け取り店舗:

お店を選ぶ

近くの店舗を確認する

納期目安:

13時までに注文→17時までにご用意

17時までに注文→翌朝までにご用意

受け取り方法・送料について

カートに入れる

配送する 配送する

納期目安:

2026.03.19 9:33頃のお届け予定です。

決済方法が、クレジット、代金引換の場合に限ります。その他の決済方法の場合はこちらをご確認ください。

※土・日・祝日の注文の場合や在庫状況によって、商品のお届けにお時間をいただく場合がございます。

即日出荷条件について

受け取り方法・送料について

カートに入れる

欲しいものリストに追加

欲しいものリストに追加されました

その他 6-1/2 Digital Multimeter_YOKOGAWA 7561の詳細情報

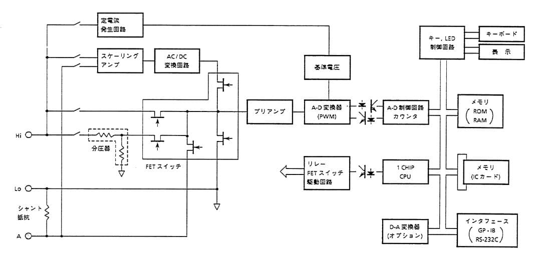
YOKOGAWA6-1/2 高精度デジタルマルチメーターModel : 756102-B-1No.40CC0140- インターフェース: RS-232C,EXT.TRIG & OUTPUT- 電源: AC 100V全面パネルのメモリーカード挿入口が破損しています。真空管5AR4 2個。画像1:カタログ7562のフロントパネル画像2:出品製品7561のフロントパネル画像3〜7:外観のチェックをお願いします。第一電波工業 SWR/パワー計+ダミーロード 中古品セット。画像10:DC Source (YOKOGAWA 7651)から10.0000Vを出力しHP 34401A (6-1/2)と比較しました。Tokyo HI-POWER 430MHzパワー・アンプ  HL-130Usx。画像12:抵抗測定で2-Wireモードで測定リード線の抵抗値の影響が測定されています。ゆうき‼️ 売却済み。お送りするのは本体のみで測定に使用したケーブルと機材は含みません。美品 アイコム デジタル簡易無線 IC-DPR7S PLUS 増波対応 登録局。追試依頼及び質問はコメントからどうぞ!本製品は7561でAC-V,AC-Iの機能は無いので注意して下さい。川越無線500ワット対応144MHz LNA プリアンプ未使用中古品。速かに対応します。ご覧いただき有難うございます。横河【YOKOGAWA】 Type 2553 直流標準電圧電流発生器 動作品。リアパネルの左下の脚に修復痕があります。フロントパネルのベゼル部は塗装が施されています。オートマティック アンテナチューナー FC -30。サンワ プロポのみSANWA M12S RS。画像8:DC Source (YOKOGAWA 7651)から1.0000mVを出力しHP 34401A (6-1/2)と比較しました。画像9:DC Source (YOKOGAWA 7651)から1.00000Vを出力しHP 34401A (6-1/2)と比較しました。八重洲無線 ダイナミックマイクロフォン MD-100A8X。【ジャンク】SONY ICB-870T 8チャンネル無線機。画像11:DC Source (YOKOGAWA 7651)から1.00000mAを出力しHP 34401A (6-1/2)と比較しました。上記条件で4-Wireモードにしました、測定リード線の抵抗値はキャンセルされています。CW-ONE GHDキー×CQオームコラボパドル。美品 アイコムIC-DPR7S PLUS 増波対応 3R.3T登録局。画像13:抵抗測定で4-Wireモードで測定リード線の抵抗値の影響が除去されて測定されています。画像14:ブロックダイアグラム画像15:動作原理画像16:DC電圧レンジと分解能画像17:DC電流レンジと分解能画像18:抵抗レンジと分解能上記検査のみ確認しました。【ボンシー】467MHz帯デジタル簡易無線機 IC-DU6505B 1台。KURANISHI INSTRUMENTS RW-315A クラニシ。全ての測定器は校正をかけておりませんので精度の保証はありません。現状でのお渡しで納得いただける方のご検討をお願い致します。珍しい特定小電力無線機(CQ誌にも掲載されました)。MIKEY MK-505E エコー機能付き ピロリロリンCB無線 アマチュア無線。AC機能付は7562です。お手元に届いて説明と異なるときは評価の前に測定条件を添えてコメントをお願いします。その他 Agilent 1134A Infiniimax Probe。FTM-6000S 144/430Mhz FMトランシーバ-値下げしました。。シングルレバーパドル GN205S GHDキー。

同じカテゴリの 商品を探す

ベストセラーランキングです

このカテゴリをもっと見る

この商品を見た人はこんな商品も見ています

近くの売り場の商品

このカテゴリをもっと見る

カスタマーレビュー

オススメ度  4.8点

現在、3258件のレビューが投稿されています。